Seguir

Editar planta individual de lotes

Personalize uma planta individual de lotes, conforme sua necessidade. No final do tutorial, você encontrará uma vídeo aula com o procedimento completo!

O primeiro passo, será localizar as folhas que estão na sua pasta raiz do Métrica TOPO em: C:\Program Files (x86)\Métrica\Métrica TOPO\Suporte\Folhas

Os modelos de planta individual de lotes, são essas que começam com "A4_LOTES", identificadas em azul.

 

 

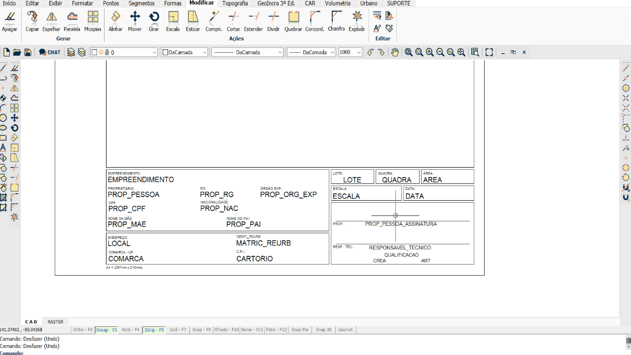
No exemplo abaixo, iremos editar o modelo A4_LOTES_REURB.

Para isso, de um duplo clique em cima do arquivo, ou dentro do Métrica TOPO, vá na aba Início, ferramenta Importar DWG e localize a planta para abri-la.

 

Como exemplo, iremos mover alguns atributos e textos de posição no selo da planta e reorganiza-la de outra forma.

 

Gravar_2021_02_05_14_07_17_478.gif

Gravar_2021_02_05_14_10_38_609.gif

Gravar_2021_02_05_14_24_20_47.gif

Gravar_2021_02_05_15_06_01_232.gif

 

Dica: Caso queira verificar outros atributos que podem ser inseridos na planta de forma automática após preencher o banco de dados, vá até a pasta raiz onde estão as folhas ( C:\Program Files (x86)\Métrica\Métrica TOPO\Suporte\Folhas ) e localize o arquivo Atributos da Folha - Banco de Dados.vdf

 

mceclip0.png

Gravar_2021_02_08_10_01_52_278.gif

 

Escolha os atributos que precisa inserir, e copie e cole para sua folha, movendo para o local desejado.

 

Gravar_2021_02_08_10_07_49_619.gif

 

Caso queira importar alguma imagem de logo, acesse a aba Editar, e utilize a ferramenta Imagem.

 

Após editar a planta, exporte ela no formato .DWG na mesma pasta raiz onde estão os outros modelos.

Insira um novo nome e aperte Ok.

 

Gravar_2021_02_05_15_09_28_462.gif

 

Agora, dentro da ferramenta Planta Individual de Lotes, da aba Urbano, escolha o modelo de planta editado, e clique em Gerar.

Gravar_2021_02_08_10_24_42_1.gif

 

 

BOM TRABALHO!