Seguir

Atributo de malha de coordenadas na planta individual de lotes

Para gerar a malha de coordenadas na planta individual de lotes é necessário que tenha o atributo no modelo selecionado.

Neste tutorial, iremos demonstrar como inserir o atributo da malha de coordenadas no modelo de folha da planta individual.

 

Primeiramente, importe o seu modelo de planta individual.

Para isso, vá na aba Início -> Importar -> DWG.

 

Acesse a pasta raiz onde está o modelo de folha (O caminho é: Disco Local C:\Program Files (x86)\Métrica\Métrica TOPO\Suporte\Folhas), encontre o arquivo em .DWG e clique em Abrir.

dvwvgwegwgwevw.png

 

Importe na primeira opção "Para o projeto atual - novo desenho".

rgrgrgrg.png

 

Pronto! O modelo de planta individual será importado.

 

Agora, é preciso importar o arquivo com todos os atributos disponíveis para personalizar a a planta.

Vá na aba Início -> Importar -> DWG.

 

Altere o tipo do arquivo de .DWG para .VDF.

efefefefefef.png

 

Acesse o caminho Disco Local C:\Program Files (x86)\Métrica\Métrica TOPO\Suporte\Folhas, selecione o arquivo Atributos da Folha - Banco de Dados.VDF e clique em Abrir.

 

Importe na primeira opção "Para o projeto atual - novo desenho".

rgrgrgrg.png

 

Pronto!

Agora terá duas abas de desenho, uma com o modelo de planta individual e o outro com o arquivo de atributos.

 

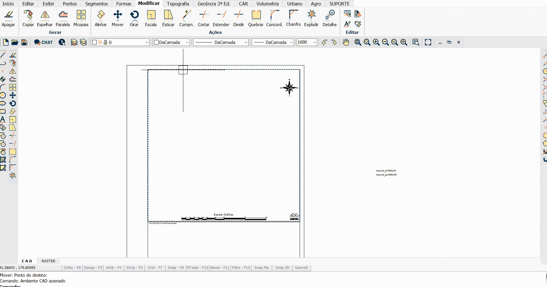
No arquivo de atributos, encontre os atributos referentes a malha de coordenadas, que seriam: MALHA_SUPERIOR e MALHA_INFERIOR.

 

Selecione esses dois atributos, copie e cole no modelo de planta individual. Quando aparecer mensagem se deseja colar nas coordenadas de origem, clique em NÃO e cole ao lado da planta apontando no clique.

Vídeo-4.gif

 

Basta utilizar o comando Mover e ajustar os locais dos atributos da malha de coordenadas.

Deve posicionar o atributo MALHA_SUPERIOR no canto superior direito e o atributo MALHA_INFERIOR no canto inferior esquerdo.

Vídeo-7.gif

qqqqqqqqqqqqqqq.png

rerererer.png

gfgfgfg.png

 

Pronto!

Salve o modelo de folha, clique na aba Início -> Exportar .DWG.

Escolha o nome e salve na pasta raiz Disco Local C:\Program Files (x86)\Métrica\Métrica TOPO\Suporte\Folhas.

qqqqqqqqqqqqqqqq.png

 

Agora pode gerar as plantas individuais de lotes com a malha de coordenadas.

planplan.png

 

ÓTIMO TRABALHO!